星空(中国)
关于我们
游民星空游戏平台
服务领域
科技创新
党的建设
投资者关系
新闻中心
联系我们

新闻中心

复洁环保,每一次,让世界更美好!
案例分享|提标改造换新貌 硬科技助力增时效
发布时间:2022-10-13

宁波慈溪教场山污水处理厂

污泥脱水干化提标改造工程

ENVIRONMENTAL PROTECTION PROJECT

复归自然

洁化环境

MAKE THE WORLD 

A BETTER PLACE

水作为生命之源,生产生活之根本,有着举足轻重的作用。我国的水资源现状存在总量紧缺、人均占有量低、地区分布不均、城市缺水情况凸显等问题。为改善和提升水环境质量,城镇污水处理厂的提标改造变得更为迫切。


教场山污水处理厂是慈溪市区最早建成的污水处理厂,经过多年的城市化发展,污水厂如今已处在闹市区,毗邻教场山公园和大润发超市,提标改造工程属于原厂原址提标,为宁波市重点建设项目。改造内容包括对现状污水厂内构、建筑物重新梳理,并对现有工艺进行改造提升,工程规模为8万吨/日。



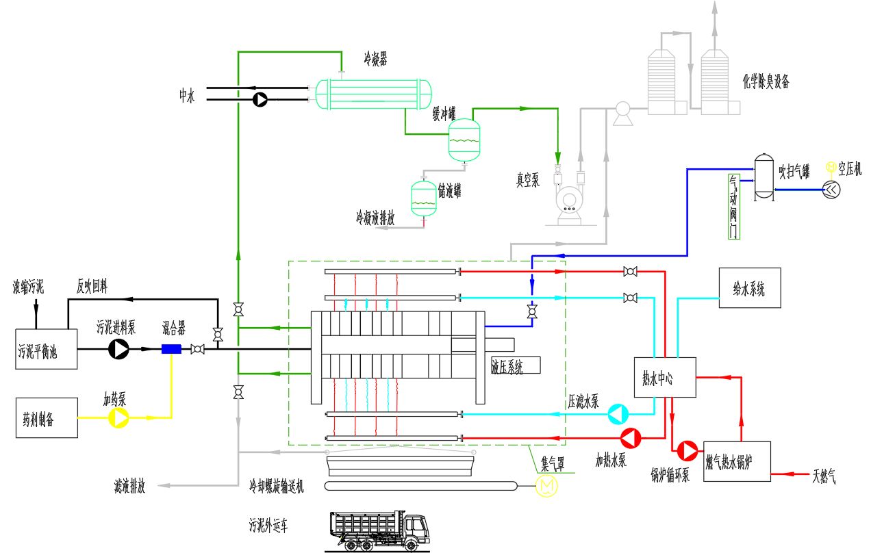
其中污泥干化工艺采用上海复洁环保科技股份有限公司“低温真空脱水干化一体化技术装备”,污泥处理规模为55.5t/d(换算为含水率80%计),该工艺将97%含水率的浓缩污泥一次性脱水干化到40%含水率以下,现场采用2条生产线,常白班运行模式。干化后的污泥外运进行无害化处置(电厂掺烧或建材利用),低温真空脱水干化一体化设备保持负压运行,污泥干化全程无臭气泄露、静态无粉尘、无爆炸风险、可对接低品位热源、自动化运行、人工干预较少、运行成本较低,对周边环境和厂区环境十分友好。


主要工艺指标

近期处理规模:55.5t/d(换算为含水率80%计)

规格型号:DZG-2000/700×2套

进泥含水率:97%             

出泥含水率:≤40%

废气排放标准:

《城镇污水处理厂污染物排放标准》中厂界废气排放二级标准(GB18918-2002)


系统单元简介


本工程采用复洁环保自主开发的低温真空脱水干化一体化技术以及废气净化一体化技术,包括:污泥脱水干化车间内所有系统工艺设备与系统集成的全套连接管路。主要分为:污泥调质系统、低温真空脱水干化主机系统、污泥进料系统、热水系统、真空冷却系统、空气压缩系统、污泥输送系统、除臭系统、自控系统等。

低温真空脱水干化一体化技术改变了传统工艺流程,将物料的脱水与干化工序合成一体,在同一设备上连续完成。该技术利用低温(<100℃)真空干化原理,达到传统热力干化的脱水效果,最低含水率可达20%以下;既节省了传统热力干化设备的占地面积,节约了污泥从脱水设备到干化设备的转运时间和劳动力,减轻了环保、安全上的压力,又将滤饼水分降至用户要求,最大限度地实现了污泥的减量化,并在一定程度上起到了杀菌灭活和无害化的作用,是物料脱水干化的新一代节能降耗设备,在污染防治、节能减排、环境安全、劳动保护等诸多方面创造了良好的经济与环保效益。

图|低温真空脱水干化一体化主机

图|真空冷却系统

图|中控室

图|电控室

图|除臭单元


  • 服务热线:021-65647488
  • 传真:021-65641899
  • 地址:上海市杨浦区国权北路1688弄湾谷科技园A7幢8楼
  • 邮箱:ceo@ceo.sh.cn
  • 邮编:200438
游民星空游戏平台©2011-2021 沪ICP备19011773号 法律声明

法律声明

访问者在接受本网站服务之前,请务必仔细阅读本条款并同意本声明。访问者访问本网站的行为以及通过各类方式使用本网站提供的任何功能的行为,都将被视作是对本声明全部内容的无异议的认可且自愿接受本声明的约束;如有异议,请立即跟本公司协商,并取得本公司的书面同意意见。对于违反下列条款的行为,本公司保留通过法律程序追究各项法律责任的权利。 

第一条 访问者在进行与本网站相关的所有行为(包括但不限于访问浏览、利用、转载、宣传介绍)时,应依据诚实信用原则,不得故意或者过失地损害或者弱化本网站的各类合法权利与利益,不得利用本网站以任何方式直接或者间接地从事违反中国法律、国际公约以及社会公德的行为,且访问者应当恪守下述承诺:    

1、传输和利用信息符合中国法律、国际公约的规定、符合公序良俗; 

2、不将本网站以及与之相关的网络服务用作非法用途以及非正当用途; 

3、不干扰和扰乱本网站以及与之相关的网络服务; 

4、遵守与本网站以及与之相关的网络服务的协议、规定、程序和惯例等。

第二条 本网站郑重提醒访问者:请在转载或者下载有关作品时务必尊重该作品的知识产权;如果您发现本网站有侵犯您的知识产权的情况,请立即和我们联系,我们会在第一时间删除或作相关处理。

第三条 除我们另有明确说明或者中国法律有强制性规定外,本网站所有内容及其知识产权均归本公司所有,或者已经得到相关权利人的合法授权。未经本公司及其他相关权利人同意,严禁转载或用于其它商业用途。

第四条 未经本公司及其他相关权利人同意,其他任何机构、个人不得以任何形式侵犯其作品著作权,包括但不限于:发表权、署名权、修改权、保护作品完整权、复制权、发行权、出租权、展览权、表演权、放映权、广播权、信息网络传播权、摄制权、改编权、翻译权、汇编权以及应当由著作权人享有的其他权利。

第五条 本网站所刊载的各类形式(包括但不仅限于文字、图片、图表)的作品仅供参考使用,不构成任何投资建议。对于访问者根据本网站提供的信息所做出的一切行为,除非另有明确的书面承诺文件,否则本网站不承担任何形式的责任。

第六条 当本网站以链接形式推荐其他网站内容时,本网站并不保证此类网站、资源以及从此类网站获取的任何内容、产品、服务或其他材料的准确性、真实性、合法性。对于因使用或信赖此类网站或资源上获取的内容、产品、服务或其他材料而造成(或声称造成)的任何直接损失、间接损失、惩罚性损害赔偿等,本网站均不承担法律责任。

第七条 当政府部门、司法机关等依照法定程序要求本网站披露个人资料时,本网站将根据执法单位之要求或为公共安全之目的提供个人资料。在此情况下之任何披露,本网站均得免责。

第八条 本网站如因系统维护或升级而需暂停服务时,将事先公告。若因线路及非本公司控制范围外的硬件故障或其它不可抗力而导致暂停服务,于暂停服务期间造成的一切不便与损失,本网站不负任何责任。

第九条 本声明未涉及的问题参见国家有关法律法规,当本声明与国家法律法规冲突时,以国家法律法规为准。

第十条 以上声明内容的最终解释权归上海复洁环保科技股份有限公司所有。